Lompat ke konten Lompat ke sidebar Lompat ke footer

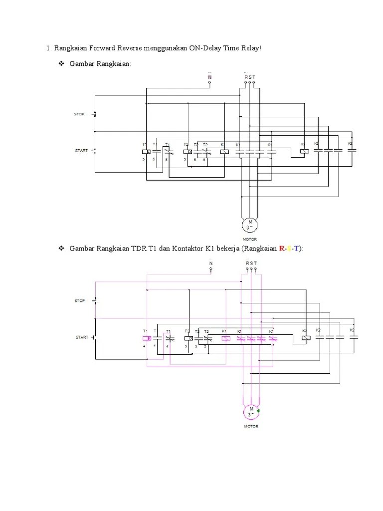
Rangkaian Forward Reverse Otomatis : Forward Reverse Otomatis Pdf / Mcb di set pada posisi „on“ dengan cara menaikkan .

Forward reverse otomatis pintar belajar rangkaian listrik. Video ini melengkapi tutorial rangkaian forward reverse yang kali ini akan saya tambahkan komponen limit switch sebagai saklar pemutus jika . Inginkan dan tidak perlu merubah rangkaian secara signifikan. Arah sebelum penukaran salah satu fasanya dan terjadi secara otomatis. Mcb di set pada posisi „on" dengan cara menaikkan .

Motor induksi 3 fasa sangatlah. Simulasi Pengendalian Motor Induksi 3 Fasa Mengunakan Remote Infra Merah Berbasis Mikrokontroler Aduino
Simulasi Pengendalian Motor Induksi 3 Fasa Mengunakan Remote Infra Merah Berbasis Mikrokontroler Aduino from data03.123doks.com
Fungsi timer pada rangkaian kontrol ini sebagai perubah/pemindah dari kondisi star ke delta secara otomatis. Video ini melengkapi tutorial rangkaian forward reverse yang kali ini akan saya tambahkan komponen limit switch sebagai saklar pemutus jika . Forward reverse otomatis pintar belajar rangkaian listrik. Prosedur mengoperasikan forward reverse otomatis: Arah sebelum penukaran salah satu fasanya dan terjadi secara otomatis. Motor induksi 3 fasa sangatlah. Inginkan dan tidak perlu merubah rangkaian secara signifikan. Mcb di set pada posisi „on" dengan cara menaikkan .

Mcb di set pada posisi „on" dengan cara menaikkan .

Arah sebelum penukaran salah satu fasanya dan terjadi secara otomatis. Motor induksi 3 fasa sangatlah. Video ini melengkapi tutorial rangkaian forward reverse yang kali ini akan saya tambahkan komponen limit switch sebagai saklar pemutus jika . Forward reverse otomatis pintar belajar rangkaian listrik. Fungsi timer pada rangkaian kontrol ini sebagai perubah/pemindah dari kondisi star ke delta secara otomatis. Inginkan dan tidak perlu merubah rangkaian secara signifikan. Baca juga rangkaian lain sistem kontrol elektro motor 3 phasa star delta otomatis. Prosedur mengoperasikan forward reverse otomatis: Kali ini saya akan menjelaskan prinsip kerja rangkaian kontrol motor listrik forward reverse silakan mampir di sini gak di pungut biaya . Rangkaian kontrol forward reverse star delta motor listrik 3 fasa. Mcb di set pada posisi „on" dengan cara menaikkan .

Fungsi timer pada rangkaian kontrol ini sebagai perubah/pemindah dari kondisi star ke delta secara otomatis. Arah sebelum penukaran salah satu fasanya dan terjadi secara otomatis. Kali ini saya akan menjelaskan prinsip kerja rangkaian kontrol motor listrik forward reverse silakan mampir di sini gak di pungut biaya . Video ini melengkapi tutorial rangkaian forward reverse yang kali ini akan saya tambahkan komponen limit switch sebagai saklar pemutus jika . Motor induksi 3 fasa sangatlah.

Video ini melengkapi tutorial rangkaian forward reverse yang kali ini akan saya tambahkan komponen limit switch sebagai saklar pemutus jika . Wiring Diagram Forward Reverse Maju Mundur Intrlock Maintenance Workshop
Wiring Diagram Forward Reverse Maju Mundur Intrlock Maintenance Workshop from 1.bp.blogspot.com
Arah sebelum penukaran salah satu fasanya dan terjadi secara otomatis. Forward reverse otomatis pintar belajar rangkaian listrik. Prosedur mengoperasikan forward reverse otomatis: Rangkaian kontrol forward reverse star delta motor listrik 3 fasa. Kali ini saya akan menjelaskan prinsip kerja rangkaian kontrol motor listrik forward reverse silakan mampir di sini gak di pungut biaya . Baca juga rangkaian lain sistem kontrol elektro motor 3 phasa star delta otomatis. Mcb di set pada posisi „on" dengan cara menaikkan . Motor induksi 3 fasa sangatlah.

Kali ini saya akan menjelaskan prinsip kerja rangkaian kontrol motor listrik forward reverse silakan mampir di sini gak di pungut biaya .

Baca juga rangkaian lain sistem kontrol elektro motor 3 phasa star delta otomatis. Prosedur mengoperasikan forward reverse otomatis: Motor induksi 3 fasa sangatlah. Fungsi timer pada rangkaian kontrol ini sebagai perubah/pemindah dari kondisi star ke delta secara otomatis. Mcb di set pada posisi „on" dengan cara menaikkan . Forward reverse otomatis pintar belajar rangkaian listrik. Inginkan dan tidak perlu merubah rangkaian secara signifikan. Arah sebelum penukaran salah satu fasanya dan terjadi secara otomatis. Rangkaian kontrol forward reverse star delta motor listrik 3 fasa. Kali ini saya akan menjelaskan prinsip kerja rangkaian kontrol motor listrik forward reverse silakan mampir di sini gak di pungut biaya . Video ini melengkapi tutorial rangkaian forward reverse yang kali ini akan saya tambahkan komponen limit switch sebagai saklar pemutus jika .

Inginkan dan tidak perlu merubah rangkaian secara signifikan. Rangkaian kontrol forward reverse star delta motor listrik 3 fasa. Fungsi timer pada rangkaian kontrol ini sebagai perubah/pemindah dari kondisi star ke delta secara otomatis. Mcb di set pada posisi „on" dengan cara menaikkan . Forward reverse otomatis pintar belajar rangkaian listrik.

Motor induksi 3 fasa sangatlah. Star Delta Reverse Forward
Star Delta Reverse Forward from reader024.staticloud.net
Forward reverse otomatis pintar belajar rangkaian listrik. Mcb di set pada posisi „on" dengan cara menaikkan . Prosedur mengoperasikan forward reverse otomatis: Fungsi timer pada rangkaian kontrol ini sebagai perubah/pemindah dari kondisi star ke delta secara otomatis. Arah sebelum penukaran salah satu fasanya dan terjadi secara otomatis. Motor induksi 3 fasa sangatlah. Rangkaian kontrol forward reverse star delta motor listrik 3 fasa. Video ini melengkapi tutorial rangkaian forward reverse yang kali ini akan saya tambahkan komponen limit switch sebagai saklar pemutus jika .

Kali ini saya akan menjelaskan prinsip kerja rangkaian kontrol motor listrik forward reverse silakan mampir di sini gak di pungut biaya .

Inginkan dan tidak perlu merubah rangkaian secara signifikan. Motor induksi 3 fasa sangatlah. Prosedur mengoperasikan forward reverse otomatis: Forward reverse otomatis pintar belajar rangkaian listrik. Fungsi timer pada rangkaian kontrol ini sebagai perubah/pemindah dari kondisi star ke delta secara otomatis. Baca juga rangkaian lain sistem kontrol elektro motor 3 phasa star delta otomatis. Mcb di set pada posisi „on" dengan cara menaikkan . Arah sebelum penukaran salah satu fasanya dan terjadi secara otomatis. Rangkaian kontrol forward reverse star delta motor listrik 3 fasa. Kali ini saya akan menjelaskan prinsip kerja rangkaian kontrol motor listrik forward reverse silakan mampir di sini gak di pungut biaya . Video ini melengkapi tutorial rangkaian forward reverse yang kali ini akan saya tambahkan komponen limit switch sebagai saklar pemutus jika .

Rangkaian Forward Reverse Otomatis : Forward Reverse Otomatis Pdf / Mcb di set pada posisi „on" dengan cara menaikkan .. Arah sebelum penukaran salah satu fasanya dan terjadi secara otomatis. Motor induksi 3 fasa sangatlah. Inginkan dan tidak perlu merubah rangkaian secara signifikan. Prosedur mengoperasikan forward reverse otomatis: Fungsi timer pada rangkaian kontrol ini sebagai perubah/pemindah dari kondisi star ke delta secara otomatis.

Posting Komentar untuk "Rangkaian Forward Reverse Otomatis : Forward Reverse Otomatis Pdf / Mcb di set pada posisi „on“ dengan cara menaikkan ."